*
*
*
*

 

                                    

 KONG2—八路工业遥控器

当我们在港口,火车站,建筑施工现场和厂矿使用龙门吊车,塔吊和各种机械搬运装置时,是否想到要为它安装一套多路遥控系统。在这里向您介绍我厂专为其设计生产的八路遥控器—KONG2,在原有的设备上可以增加遥控功能,使设备的自动化程度提高,降低操作者的劳动强度,避免因视野不好或登高而造成的工伤事故,提高了设备的吊装精度和速度,进而大大增加了工作效率。

    KONG2是由数字发射机和接收控制器组成

    数字发射机由按键板,矩阵电路,编码电路,译码器和数字发射电路组成,见图一,当按动面板上的键盘时,一组数字编码信号会立刻发射出去,同时面板上的显示屏指示出当前路数,右下角会发出闪光指示,此功能对夜间使用甚为重要,按动键盘瞬间,机内的蜂鸣器会发出一短声。

    发射机的面板上有各种动作的中文标识,在使用时,只需按触相应的键盘,就可以使发射机内部电路工作(平时处于睡眠状态),与此同时接收控制器中的该路继电器吸合,进而控制相应的动作机构运行。在发射机内部机芯上设有蜂鸣器和显示屏的状态选择插件。其中K1控制蜂鸣器,K2控制显示屏,当短路块插到OPEN档时,处于工作状态,当插到CLOSE档时为关闭状态,用户可根据需要设定,出厂时均置于OPEN状态。

    发射机采用6F22-9V叠层电池,适用于短时或点动控制状态,如长时间或频繁使用需加装外接电源。发射天线在近距离时无需伸出,一般可到100~150米,当全部伸出时,可达150~300米,空旷地无干扰时最远可达500米,在使用中发现距离变近时,请检查电池电量是否充足,当低于7V时应更换电池。长期不用应取出电池。

    接收控制器由ASK数字接收电路,解码电路,8路转换器,功率驱动电路和继电器组成,见图二,其中ASK接收电路采用美国晶振式单片专用集成电路,工作稳定,可靠,不受震动和温度变化影响,具有优良的高频特性和抗电磁干扰能力,在机内设有八位直流单片继电器J1-J8以其触点作为对外界的控制电压输出,设置在前面板的指示灯LED1~LED8作为每个继电器的工作状态指示,LED9为电源指示,当面板上的电源开关K闭合时点亮。

    机内有高频信号接收天线,请不要变动它的形状,以免影响接收效果,减小作用距离。

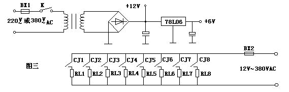
    在控制器的后面板上设有2组保险装置和12位接线端子,其中最右侧保险座为BX1,内部有0.5A保险管,用于保护接收控制电路部分,左侧保险座为BX2,内部有2A保险管,用于保护继电器触点和后级负载。本机内置继电器触点容量为3A,实际使用时不应超过该指标,当控制五百瓦至数千瓦的大容量负载时,应在其后加接中间继电器或交流接触器,内部电源电路及继电器触点电路见图三,端子部分见图四,其中火1为接收控制器的工作电源,一般出厂时为220V可定制380V或其它电压(需特别说明)。由图三得知。八个继电器的一个触点为公共端,即为火2。此电压为被控制负载的工作电压,如12V,24V,36V,220V,或380V,特别指示:1~8路输出应接负载(中间继电器,交流接触器,电磁阀)之火线,并保证负载无短路隐患,否则会烧坏内部继电器及线路或造成事故。

    接收控制器内部的继电器状态,常规产品第1路为双稳(开关)状态,2~8路为暂稳(非锁)状态,这样可由第1路控制后级接入交流接触器时方能实现,如有特殊需要请专门定做,我厂可改动内部接线方式即可达到该功能。另外用户可定制八路全非琐或八路全双稳状态或混合状态,若需此功能请另加说明。

    用户在打开发射机壳更换电池时不应触动其中的任何部件,否则会影响电路的正常参数而导致整机性能下降。接收机非专业技术人员不得打开,机内有高压器件和线路,如随意触动会有生命危险,带白线条标的部分为高压区。

    我厂产品不得打开机壳,否则不在保修之列。

    欢迎就我厂产品的功能和服务质量提出宝贵意见,以遍能更好的为您服务.     

    发射机体积:16×8×3cm,接收机体积:19.5×16×6.5cm

   

    注:

1.当用户特殊需要或配套产品时,KONG2的面板标识可定做。

2.控制电动门的装置请选用KONG1或KONG1A。

3.使用两个动作同时运行的八路遥控器,请见KONG3。

4.由用户指定某些功能或输出状态,但需提供部分费用。

5.商定某些特定产品,如4路,6路,12路或更多路遥控器。